693041 产品规格书
693041 产品规格书
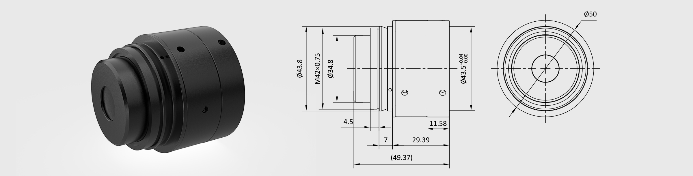
产品信息
1″ 7.35×连续变倍显微镜头 0.7×筒镜
产品编号:693041
产品描述
联合光科推出了新一代大视野高分辨率连续变倍镜头。不仅拥有卓越的变倍性能,更可提供更宽视野范围,可更快捕捉更大范围的影像,变倍主体不变,通过更换筒镜和物镜可以实现多种倍率的选择,筒镜和物镜更换便捷,在光学性能和大变焦范围之间实现良好平衡。可应用于教育科研、教学示范、生物工程、IT产业检测等领域。
产品特点
1. 通过更换筒镜和物镜可以实现多种倍率的选择
2. 变倍主体有手动和电动的版本可以选择
3. 最大靶面可以支持到32mm(部分倍率在该靶面会有暗角)
产品特点
1. 通过更换筒镜和物镜可以实现多种倍率的选择
2. 变倍主体有手动和电动的版本可以选择
3. 最大靶面可以支持到32mm(部分倍率在该靶面会有暗角)
规格参数
| 尺寸(直径) | Ф50mm | |||||||
| 高度 | 29.39mm | |||||||
| NA | 物方分辨率(μm) | 0.7×筒镜 | ||||||
| 物镜 | 最低倍 | 最高倍 | 最低倍 | 最高倍 | 最低倍 | 最高倍 | ||
| 0.25× WD:240mm |
0.0083 | 0.03 | 40.67 | 11.18 | 综合放大倍率 | 0.119× | 0.857× | |
| 景深(mm) | 40.74 | 1.52 | ||||||
| 视野大小 (D×H×V)mm |
1/2″ | 67.2×53.8×40.3 | 9.1×7.3×5.5 | |||||
| 2/3″ | 92.4×73.9×55.5 | 12.6×10.1×7.5 | ||||||
| 1″ | - | - | ||||||
| 4/3″ | - | - | ||||||
| 32mm | - | - | ||||||
| 0.5× WD:135mm |
0.0165 | 0.06 | 20.33 | 5.59 | 综合放大倍率 | 0.238× | 1.75× | |
| 景深(mm) | 10.19 | 0.38 | ||||||
| 视野大小 (D×H×V)mm |
1/2″ | 33.6×26.9×20.2 | 4.6×3.7×2.7 | |||||
| 2/3″ | 46.2×37.0×27.7 | 6.3×5.0×3.8 | ||||||
| 1″ | - | - | ||||||
| 4/3″ | - | - | ||||||
| 32mm | - | - | ||||||
| 0.75× WD:111mm |
0.025 | 0.09 | 13.56 | 3.73 | 综合放大倍率 | 0.375× | 2.625× | |
| 景深(mm) | 4.53 | 0.17 | ||||||
| 视野大小 (D×H×V)mm |
1/2″ | 22.4×17.9×13.4 | 3.0.×2.4×1.8 | |||||
| 2/3″ | 30.8×24.6×18.5 | 4.2×3.4×2.5 | ||||||
| 1″ | - | - | ||||||
| 4/3″ | - | - | ||||||
| 32mm | - | - | ||||||
| 1× WD:80mm |
0.033 | 0.12 | 10.17 | 2.8 | 综合放大倍率 | 0.476× | 3.5× | |
| 景深(mm) | 2.55 | 0.1 | ||||||
| 视野大小 (D×H×V)mm |
1/2″ | 16.8×13.4×10.1 | 2.3×1.8×1.4 | |||||
| 2/3″ | 23.1×18.5×13.9 | 3.1×2.5×1.9 | ||||||
| 1″ | - | - | ||||||
| 4/3″ | - | - | ||||||
| 32mm | - | - | ||||||
| 1.5× WD:45mm |
0.0495 | 0.18 | 6.78 | 1.86 | 综合放大倍率 | 0.714× | 5.25× | |
| 景深(mm) | 1.13 | 0.04 | ||||||
| 视野大小 (D×H×V)mm |
1/2″ | 11.2×9.0×6.7 | 1.5×1.2×0.9 | |||||
| 2/3″ | 15.4×12.3×9.2 | 2.1×1.7×1.3 | ||||||
| 1″ | - | - | ||||||
| 4/3″ | - | - | ||||||
| 32mm | - | - | ||||||
| 2× WD:27mm |
0.066 | 0.24 | 5.08 | 1.4 | 综合放大倍率 | 0.952× | 7× | |
| 景深(mm) | 0.64 | 0.02 | ||||||
| 视野大小 (D×H×V)mm |
1/2″ | 8.4×6.7×5.0 | 1.1×0.9×0.7 | |||||
| 2/3″ | 11.6×9.2×6.9 | 1.6×1.3×0.9 | ||||||
| 1″ | - | - | ||||||
| 4/3″ | - | - | ||||||
| 32mm | - | - | ||||||
关于产品
1. 产品图均为渲染效果图,仅供参考;图纸细节如有更改不再另行通知。
2. 产品无质量问题,退换邮费需自行承担,退回时保持产品外观完好,性能无损伤,不影响二次销售;如产品有质量问题,请与我们联系。
3. 我们也可根据您的需求进行特殊规格的镜头定制服务。